高速動車組防雷模型
1模型建立
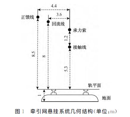
1.1牽引供電系統模型
牽引網是由饋線、接觸線、承力索、鋼軌、回流線、變電所等組成的牽引供電回路。牽引網的幾何結構如圖1所示,本文采用頻變參數模型作為懸掛導線的模型。為防止在所研究的時間范圍內,傳到兩側線路末端的反射波沿線路返回后對雷擊點處過電壓的影響,在線路末端分別連接一條長的、與所研究線路具有相同特性的線路。由于接觸網支柱高度一般低于30 m,仿真采用集中電感模型來模擬支柱模型,該模型將支柱作為集中參數電感和接地電阻相串聯。
1.2絕緣子閃絡模型
絕緣子閃絡過程的準確模擬無論是對反擊還是繞擊侵入波的計算都非常重要。本文采用電壓控制開關的方法來模擬絕緣子的閃絡過程,采用將絕緣子沖擊放電的50%(記為Uso%)與絕緣子伏秒特性模型相結合的方式作為絕緣子的閃絡判據,當絕緣子兩端電壓.與其伏秒特性曲線相交或兩者不相交但是超過Us0%時開關導通,絕緣子發生閃絡放電。在標準雷電波下絕緣子伏秒特性為:
1. 3車載氧化鋅防雷器模型
避雷器模型主要在于模擬其非線性的伏安特性曲線,僅用一個非線性元件不能完全模擬避雷器的動作過程。文中采用IEEE工作組3 4. 11提出的模型,見圖2。已知動車組氧化鋅避雷器的標稱放電電流為10 kA,動作電壓為60. 5 kV ,標準雷電沖擊殘壓最大值為94 kV。
1. 4沖擊電暈模型
導線上雷擊過電壓大于導線的起暈電壓時,在導線周圍就會產生沖擊電暈,電暈的產生引起導線對地電容和電導的增大。圖3為沖擊電暈模型,K閉合時產生沖擊電暈采用動態電導G。和動態電容C。來擬合沖擊電暈的伏庫特性,動態電導用以表征沖擊電暈引起的能量損耗,動態電容表征起暈后伏庫特性曲線_上升段非線性特點,兩者均隨導線電壓變化。
2牽引網-動車組仿真模型
現行規程中推薦的交流線路耐雷水平計算方法不考慮工作電壓的影響,而且接觸網電壓等級較低,因此在模型中忽略接觸網電壓的作用。文中雷電流采用波形為26/50μs的雙指數波,對于雷電流的波過程,在大電流30~200kA范圍內波阻抗比較穩定,為600~3002,取仿真中雷電通道波阻抗ZR=300 2,土壤電阻率為100 Q. m。由于雷電流為μs級別,等值頻率約為1 MHz,此時變壓器繞組為高阻性,雜散電容為低阻性,雷電壓以電容分壓的形式傳遞,變壓器可用入口電容來等值。仿真計算中,車載牽引變壓器的入口電容設為500 pF ,電壓互感器的雜散電容設為100 pF。動車組主電路如圖4所示,圖中1號車(TC01)和8號車(TC08)為拖車,2號車(M02)和4號車(MH04)、5號車(MB05)和7號車(MB07)為動車,3號車(TP03)和6號車(TP06)為受電弓所在車。受電弓設在3號和6號車車頂,受電弓與車頂高壓箱內設備通過高壓電纜連接,斷路器放置在車頂的高壓設備箱內,車載變壓器位于3號和6號車車底。受電弓端及斷路器輸出端分別設置一個避雷器。車頂高壓電纜總長103 m,分布在3號車到6號車的4輛車車頂,電纜跨越車輛時,采用電纜終端連接,每段高壓電纜的屏蔽層采用單端接地,變壓器一次側和主斷路器也通過高壓電纜連接。仿真電路圖及模型參數數值如圖5和表2所示,模型中R;為車體連接線電阻;Rs和Lg分別為接地電阻器電阻及其寄生電感;R:為接地碳刷電阻;R;和L,為每節車體對應鋼軌的電阻和電感值,單位長度鋼軌電阻R=0.073 4 Q/m,電感L=0. 143 μH/m,已知首車車廂長度為25. 86 m,其他車廂為24. 83 m,將所有車廂均近似為25m。中為防雷m.jj-xf.com
中為浪涌保護器防雷器智能防雷監測系統http://m.jj-xf.com/knowledge/1105112.html
廣東中為智能防雷技術有限公司
