為什么浪涌保護器兩端連接導線應短而直,長度之和宜小于0.5米?
要想浪涌保護器起到比較好的防雷效果,除了在浪涌保護器選型時把參數規格選對,在安裝的時候也需要滿足安裝要求。
比如,IEC標準就要求浪涌保護器兩端連接導線應短而直,長度之和宜小于0.5m。
浪涌保護器兩端連接導線,指的是并聯接在浪涌保護器上的火線或零線加上地線的總長度。
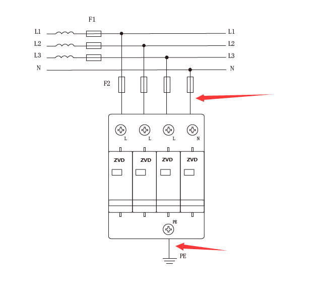
如下圖所示,紅色箭頭指的就是這兩段線路。
1、為什么規范要求線路長度小于0.5米呢?
這是因為連接SPD的電源線路會增加線感量,當有浪涌泄放時,這段線路也會有一定的殘余電壓。
會導致系統后端設備承受的殘壓,其實是SPD浪涌保護器的殘壓加上線路殘壓,如果設備耐壓不足,可能會出現浪涌保護器正常工作了,但是殘壓太高,打壞設備的情況。
所以才會要求接線越短越好。
2、不過做過配電箱裝配的師傅們應該都懂,這兩段線路加起來如果想要達到小于0.5米,其難度是比較大的。
尤其是一級浪涌保護器安裝位置,其線路線徑都比較大,很難做到0.5米的要求。
所以標準寫的是“宜”,這個字很關鍵,宜指并非強制,所以大家在實際安裝時,盡量縮短線路即可,不一定非得0.5米。
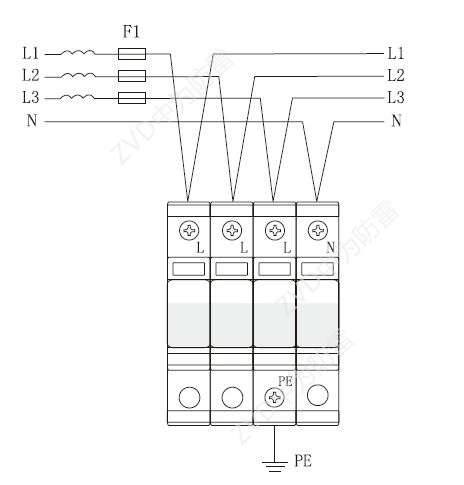
3、還有一種接線方式為凱文接線法的,也叫V形接線法,會大大縮短連接浪涌保護器的線路長度,有條件的情況下可以采用。
如下圖所示,該接線方式實際也是并聯接線的另外一種形式,相當于輸入輸出都接在浪涌保護器的同一個端口,達到縮短線路長度的效果。
以上內容,就是浪涌保護器兩端連接導線長度0.5米的相關介紹,現在大家都明白了吧!
ZVD中為防雷,轉載需授權http://m.jj-xf.com/knowledge/0215578.html。
廣東中為智能防雷技術有限公司
