超薄緊湊型控制信號防雷器 二線制信號SPD防雷模塊
品牌:ZVD/中為
產地:深圳
廠家:廣東中為智能防雷技術有限公司
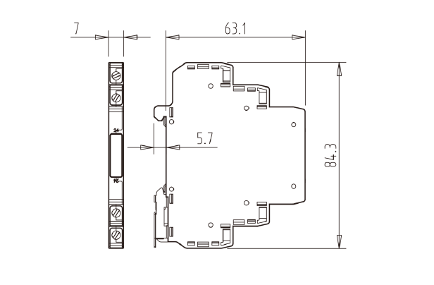
名稱:超薄緊湊型信號防雷器(寬度≈7mm)
型號:ZVS-CBX24、 ZVS-CBX12、ZVS-CBX05
主要參數:
標稱工作電壓Un:24V、12V、5V
沖擊耐受能力:20kV&10kA(1.2/50μs&8/20μs)
標稱放電電流:10kA
插入損耗:≤0.5dB
保護路數:1路(2線)
接口形式:壓接式端子
資質認證:CE、ROHS、型式檢測報告、太平洋產品險等
產品詳情
產品概述:
ZVS-CBX系列超薄緊湊型控制信號防雷器 RS485模擬量CAN總線信號SPD模塊主要應用于HART、流量數據信號、開關量、4~20mA模擬量、RS485/422/232、CAN、DI/DO等工業控制信號系統,串聯在信號線路中,防止浪涌能量通過信號線侵入設備,造成設備損壞。廣泛應用于電力、安防、通信、交通、工控、航空等領域信號保護。該產品傳輸性能優越,響應時間快。內部采用多級雷電防護電路,殘壓低,防護效果好。
詳細參數:
產品樣本只涉及代表性產品,如需定制產品規格及參數,請來電咨詢
產品尺寸圖:
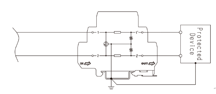
產品接線圖:
安裝說明:
防雷器需安裝在防水環境以及無劇烈震動場所;
防雷器串聯在信號線路中,防雷器輸出端(OUT)對著被保護設備,離被保護設備越近越好,切勿接反;
防雷器輸入輸出兩端線路須分開敷設,不可捆扎在一起,防止二次感應;
該產品需安裝在金屬導軌上,通過金屬導軌進行接地;
安裝接線完畢,檢查接線正確牢固后既可投入使用。
廣東中為智能防雷技術有限公司
